
Hướng dẫn sử dụng bộ điều khiển tụ bù Mikro pfr96
Mikro PFR96 là một trong các bộ điều khiển bù công suất phản kháng (size 96x96mm) rất thông dụng. Bài viết này sẽ hướng dẫn cách lắp đặt, đấu nối và cài đặt thông số cơ bản cho bộ điều khiển này.
Hướng dẫn lắp đặt bộ điều khiển tụ bù Mikro
- Bước 1: Lưu ý kích thước dập lỗ cho các bộ điều khiển tụ bù Mikro. Có thể tham khảo thông số trên bảng hướng dẫn đi kèm sản phẩm hoặc phần liệt kê trên Model.
- Bước 2: Lựa chọn mức điện áp phù hợp cho tủ. Điện thường sử dụng ở Việt Nam là 220V/380V. Chính vì thế, ta có thể chọn loại điện áp 220V hoặc 415V. Nên nhớ nếu sử dụng điện áp 220V thì điện cấp đầu vào cũng phải sử dụng 220V (dùng điện 380V sẽ bị chập cháy). Nếu sử dụng điện áp 415V thì điện áp cấp vào điện áp dây. Nếu bạn sử dụng điện 3 pha thì bắt buộc phải dùng nguồn nuôi 220VAC.
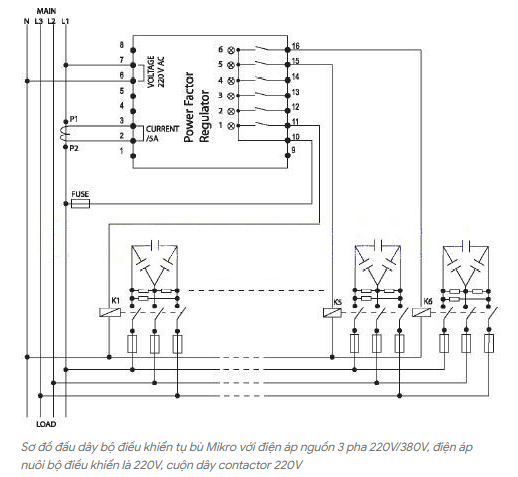
- Bước 3: Lựa chọn sơ đồ để đấu dây theo hướng dẫn đi kèm và phụ thuộc vào các trường hợp khác nhau.
Sơ đồ đấu dây bộ điều khiển tụ bù Mikro


ĐẶC TÍNH KỸ THUẬT CHÍNH CỦA BỘ ĐIỀU KHIỂN TỤ BÙ MIKRO PFR96
Sử dụng bộ xử lý thông minh để điều khiển đóng cắt
Tự động điều chỉnh hệ số C/K và số cập định mức
Tự động đổi cực tính của biến dòng
Hiển thị thông số : Hệ số công suất cos(phi), dòng điện và tổng sóng hài (THD) của dòng điện
Lập trình được độ nhạy
Cấp cuối cùng có thể lập trình báo động, điều khiển quạt
Giao diện sử dụng thân thiện
Tương thích tiêu chuẩn IEC 61000-6-2
HƯỚNG DẪN CÀI ĐẶT BỘ ĐIỀU KHIỂN TỤ BÙ MIKRO PFR96
Bước 1 : Cài đặt hệ số cos(phi)
Cấp nguồn cho bộ điều khiển, nhấn nút MODE/SCROLL cho đến khi đèn Set Cos(phi) sáng. Nhấn nút PROGRAMS để cho phép chỉnh hệ số Cos(phi). Nhấn nút UP hoặc DOWN để chọn được hệ số Cos(phi) mong muốn. Thông số này thường được đặt từ 0.90 đến 0.98 cảm (Đèn IND trong hiển thị b sáng). Thông thường cài đặt Cos(phi)=0.95
Bước 2 : Cài đặt hệ số C/K
Hệ số C/K của bộ điều khiển tụ bù Mikro có thể cài đặt tự động. Tuy nhiên nếu việc cài đặt tiến hành tại xưởng lắp đặt thì ta nên cài đặt bằng tay hệ số này thì bộ điều khiển tụ bù hoạt động sẽ chính xác hơn.
Trước khi cài đặt ta cần biết hệ số CK cần nhập. Hệ số này có thể tính toán bằng công thức như trong tài liệu hướng dẫn bộ điều khiển tụ bù.
Giả sử rằng ta dùng bộ điều khiển 6 cấp để điều khiển bù 4 cấp tụ, mỗi cấp tụ là 20KVar, 415V, biến dòng sử dụng là loại 250/5A => Hệ số C/K là 0.56.
Tiến hành chỉnh : Nhấn nút MODE/SCROLL cho đến khi đèn C/K sáng. Nhấn nút PROGRAMS để thay đổi giá trị C/K. Nhấn nút UP hoặc DOWN cho đến khi đạt hệ số C/K là 0.56. Nhấn nút PROGRAMS để xác nhận thay đổi giá trị C/K.

Bước 3 : Cài đặt các bước tụ
Giả sử rằng ta dùng 4 cấp có cùng dung lượng 20KVar. Nhấn nút MODE/SCROLL cho đến khi đèn RATED STEPS sáng. Nhấn nút PROGRAMS để thay đổi giá trị các bước tụ. Lúc này ta sẽ thấy đèn số 1 sáng. Nhấn nút PROGRAMS để thay đổi giá trị này. Nhấn nút UP hoặc DOWN cho đến khi đạt giá trị 001. Nhấn nút PROGRAMS để xác nhận thay đổi. Nhấn nút UP, đèn số 2 sáng. Ta tiến hành thay đổi bước tụ số 2 thành 001 như trên. Tiến hành nhập 001 cho các bước tụ 3,4. Tiến hành nhập các giá trị 000 cho các bước tụ 5,6 (vì không sử dụng). Kết thúc cái đặt các bước tụ.
Bước 4 : Cài đặt chương trình điều khiển
Trước tiên ta sẽ cài đặt chương trình điều khiển bù bằng tay để kiểm tra hoạt động của các contactor. Nhấn nút MODE/SCROLL cho đến khi đèn SWITCH PRO sáng. Nhấn nút PROGRAMS để thay đổi chương trình điều khiển. Nhấn nút UP hoặc DOWN chọn chương trình điều khiển bằng tay (n-A). Nhấn nút PROGRAMS để xác nhận thay đổi.
Để kiểm tra chương trình điều khiển bù bằng tay, ta nhấn nút MODE/SCROLL cho đến khi đèn MANUAL sáng. Nhấn nút UP từng lượt và quan sát. Nếu sau mỗi lần nhấn có 1 contactor tác động thì phần mạch điều khiển và chương trình bù bằng tay hoạt động tốt. Nhấn nút DOWN để cắt các cấp tụ bù ra.
Sau khi đã kiểm tra điều khiển bù bằng tay, ta tiến hành chuyển sang chương trình điều khiển bù tự động như sau:
Nhấn nút MODE/SCROLL cho đến khi đèn SWITCH PRO sáng. Nhấn nút PROGRAMS để thay đổi chương trình điều khiển. Nhấn nút UP hoặc DOWN chọn chương trình điều khiển tự động (Aut). Nhấn nút PROGRAMS để xác nhận thay đổi.
Việc cài đặt các thông số cơ bản cho bộ điều khiển tụ bù Mikro hoàn tất. Trong hầu hết trường hợp thì bộ điều khiển sẽ hoạt động. Trong trường hợp có báo lỗi thì ta cần tham khảo thêm trong tài liệu hướng dẫn đầy đủ để có cách khắc phục.
Bộ điều khiển tụ bù Mikro còn có thêm chức năng cảnh báo và cài đặt điều khiển quạt làm mát cho tủ điện. Để cài đặt các chức năng này ta cần tham khảo thêm hướng dẫn sử dụng bộ điều khiển tụ bù Mikro của hãng.
SƠ ĐỒ LẮP 1 TỦ TỤ BÙ CHO NHÀ MÁY SẢN XUẤT

