
Trong các ứng dụng mà đòi hỏi động cơ hoạt động liên tục như bơm nước sinh hoạt hay bồn chứa. Nếu chỉ có 1 động cơ hoạt động liên tục sẽ dẫn đến giảm tuổi thọ của bơm. Vì thế người ta thường sử dụng nhiều bơm chạy luân phiên. Hôm nay chúng ta sẽ cùng tìm hiểu về hai mạch điều khiển 2 và 3 máy bơm chạy luân phiên chế độ Man và Auto. Tính toán lựa chọn CB, contactor và relay nhiệt cho mạch chạy luân phiên.
Ở chế độ Man (tay) sẽ điều khiển độc lập các động cơ bằng các cặp nút nhấn ON, OFF. Ở chế độ Auto (tự động) động cơ sẽ tự động chạy luân phiên theo thời gian đặt trước.
1. Mạch điều khiển 2 máy bơm chạy luân phiên
1.1 Sơ đồ đấu dây

Mạch điều khiển 2 máy bơm chạy luân phiên
1.2 Nguyên lý mạch điều khiển 2 máy bơm chạy luân phiên
Mạch điều khiển động cơ 1 chạy theo thời gian đặt trước sau đó dừng lại và chạy động cơ 2. Động cơ 2 cũng sẽ chạy một thời gian, sau đó chuyển sang động cơ 1. Do đó mạch được gọi là mạch điều khiển 2 động cơ chạy luân phiên.
++ Công tắc MODE hai vị trí chọn chế độ điều khiển Man/Auto.
a. Chế độ Man
+ Khi đóng bật công tắc MODE thì relay RL tác động, tiếp điểm thường đóng của RL mở ra. Do đó Timer T1 và T2 sẽ không được cấp điện khi bật công tắc MODE.
+ Khi nhấn nút ON1, contactor K1 hút động cơ 1 chạy và đồng thời tiếp điểm thường hở K1 đóng lại tự giữ cho nút ON1. Các Timer ở chế độ Man không được cấp điện nên 2 động cơ sẽ chạy động lập với nhau.
+ Khi nhấn nút ON2 thì contactor K2 hút, cấp điện cho động cơ 2 quay.
+ Nhấn OFF1 động cơ 1 dừng, nhấn nút OFF2 động cơ 2 sẽ dừng.
b. Chế độ Auto
+ Khi công tắc MODE để hở, relay RL không được cấp điện nên tiếp điểm thường đóng RL không thay đổi trạng thái. Do đó nút khi nhấn ON thì cuộn hút Timer được cấp điện, mạch chạy chế độ Auto.
+ Khi nhấn nút ON1 contactor K1 cấp điện cho động cơ 1 quay. Đồng thời Timer 1 được cấp điện sẽ bắt đầu đếm thời gian.
Khi Timer 1 đếm đến thời gian đặt trước, tiếp điểm thường đóng T1 mở ra làm contactor K1 mất điện, động cơ 1 dừng. Đồng thời tiếp điểm thường hở T1 đóng lại, cấp nguồn cho contactor K2 và Timer 2. Lúc này động cơ 2 quay, động cơ 1 dừng và Timer 2 bắt đầu đếm thời gian.
Khi Timer 2 đếm đến thời gian đặt trước, tiếp điểm thường đóng T2 mở ra làm contactor K2 mất điện, động cơ 2 dừng. Đồng thời thường mở của T2 đóng lại kích động cơ 1 chạy lại.
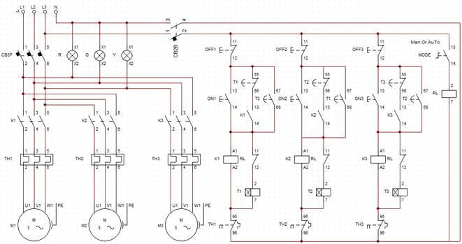
2. Mạch điều khiển 3 máy bơm chạy luân phiên
2.1 Sơ đồ đấu dây

2.2 Nguyên lý mạch điều khiển 3 máy bơm chạy luân phiên
Sơ đồ và nguyên lý mạch điều khiển 3 máy bơm chạy luân phiên gần giống với điều khiển 2 bơm. Do đó ta có thể mở rộng điều khiển nhiều bơm hơn theo nguyên lý trên.
+ Ở chế độ Man, 3 Timer không được cấp điện nên 3 động cơ chạy độc lập với nhau.
+ Ở chế độ Auto, nhấn nút ON điều khiển động cơ nào thì động cơ đó sẽ chạy trước. Thứ tự chạy luân phiên quyết định bởi tiếp điểm thường hở Timer T sẽ kích động cơ nào chạy tiếp theo. Sơ đồ trên sẽ chạy theo thứ tự động cơ 1→ động cơ 2 → động cơ 3 → động cơ 1 …