
1/ LẮP GIẾNG KHOAN

2/ LẮP VAN 1 CHIỀU
Hướng dẫn lắp đặt van 1 chiều
Nguyên tắc quan trọng nhất: lưu ý chiều mũi tên trên thân van, sẽ là chiều dòng chảy khi lắp vào
Một số thiết bị: y lọc, góc chuyển, bơm..có thể gây ra tình trạng bất ổn của dòng chảy như làm áp lực thay đổi tác động lên lá (đĩa) của van. Gây hiện tượng van đóng/mở liên tục, nước sẽ rò rỉ ngược lại. Khắc phục tình trạng này, nên lắp van cách xa 1 khoảng cách bằng 10 lần DN (Đường kính trong của ống)
– “VAN 1 CHIỀU LÁ LẬT” là van 1 chiều hoạt động theo nguyên lý trọng lực của lá (đĩa) lật trong van.

– “Van 1 chiều LÒ XO” hoạt động theo nguyên lý lực đẩy của lò xo

3/ Hướng dẫn lắp đặt van một chiều
I-GIỚI THIỆU VỀ VAN MỘT CHIỀU
– Là loại van chỉ cho phép dòng chất lỏng chảy theo hướng , theo cấu tạo của van và chiều ngược lại bị khống chế. Ngoài tác dụng chỉ cho chất lỏng chảy một hướng, khi lắp vào hệ thống đường ống van một chiều có tác dụng tránh hiện tượng búa nước.
– Phân loại : van một chiều đa dạng về chủng loại, mỗi loại có đặc tính và ứng dụng khác nhau như: van một chiều loại một cánh lật (Swing),van một chiều hai cánh lật (Wafer), van một chiều dạng trục (Axial), van một chiều dạng bi (Ball), dạng đối trọng (Tilting)…..
II- HƯỚNG DẪN LẮP ĐẶT
– Kích thước của đường ống và van phải đồng nhất
– Lắp đúng chiều và 1 đầu trục van ở vị trí mũi tên màu đỏ để lưu chất tác động đều hai cánh van
– Giữa hai mặt bích của đường ống và van cần phải có đệm làm kín. Đệm làm kín phải có đường kính bằng đường kính của van, tránh trường hợp đệm làm kín sai kích thước gây tắc hoặc rò rỉ hệ thống.
– Xiết bulong, đai ốc từ từ theo mặt phẳng
– Chú ý về khoảng cách , một khoảng cách tối thiểu cần được đánh giá cao giữa van một chiều và các yếu tố khác để tránh xung đột thủy lực.

– Chú ý khi lắp đặt van như sau :
Van một chiều dạng 2 cánh lật ( Wafer check valve )
Lắp ngang Lắp đứng



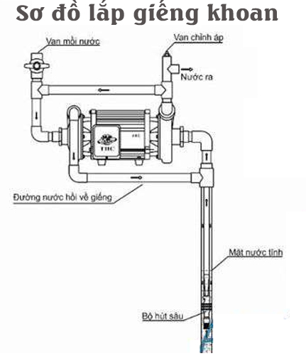
4/ Cấu tạo giếng khoan gia đình
Giếng khoan gia đình hút nước trực tiếp
Là loại giếng khoan được làm ở các khu vực có mặt nước tĩnh nhỏ hơn hoặc bằng 9 mét, kết cấu của giếng khoan này gồm hai phần
- Vỏ giếng: là ống nhựa đường kính phi 48 – 60, côn thu 60 – 34 (48 – 34), mang xông 34, ống lọc, bịt lọc. Vỏ giếng thường được đặt sâu hơn mực nước ngầm khoảng 5m đến 10m (không quá 30m). Sau đó ống được thu nhỏ lại thường dùng ống 34 nhằm giảm sức ép từ lòng đất lên bề mặt ống. Tiếp theo ống 34 này sẽ được nối với côn thu 48 – 34 vào 2m đến 4m ống lọc phi 48 và kết thúc bằng bịt lọc phi 48
Sau đó xung quanh ống lọc phi 48 sẽ được chèn cát vàng hạt to, cát vàng hạt to này sẽ giúp ngăn những hạt đất cát nhỏ chui vào trong kẽ lọc làm tắc lọc của giếng khoan.
Ruột giếng: thiết kế ống hút phi 27, van 1 chiều, mang xông, cút, giắc co, ren máy. Sau khi khoan giếng xong các ống hút này ở cuối ống là rọ hoặc van 1 chiều sẽ được hạ âm vào mặt nước ngầm từ 5m đến 10m, nối bằng mang xông và cút góc, qua một giắc co để sau này tiện lắp đặt và tháo máy bơm ra. Ống này sau đó sẽ được nối vào máy bơm nước qua một ren 34-27 (42-27 hoặc 48-27) tùy thuộc vào từng loại máy bơm mà sử dụng loại ren khác nhau. Đầu ra của máy được nối với 1 ren máy 34 – 21 (hoặc 42 – 21, hoặc 48 – 21) đường kính ren này phụ thuộc vào từng loại máy bơm khác nhau.


5/ LẮP VAN 1C & LUPPE CHO MÁY BƠM

- Spring check valve : Là van 1c lòa xo nhựa
- Gravity check valve : Van 1c 4 ốc nhựa
- Foot valve : Van rọ